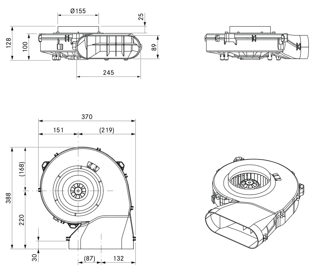
BORA ULS

Motor pod skrinku k modelom BORA Professional a Classic